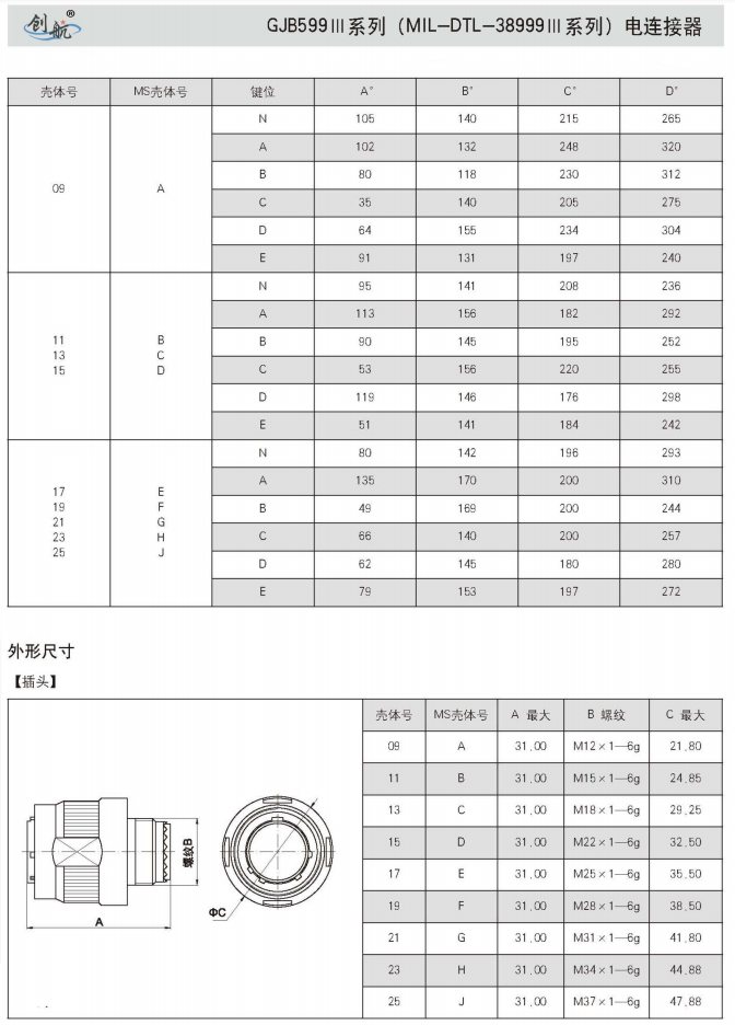
GJB599Ⅲ系列
發布時間:2023-04-19 | 點擊量:1669
詳細說明:
符合GJB599A(MIL-DTL-38999K)Ⅲ系列
三頭螺紋快速連接,并帶防松脫機構,體積小,重量輕,接觸偶密度高
具有電磁屏蔽功能
接觸件壓接可取卸,防斜插設計
具有防火殼體、復合材料殼體、鋁合金殼體和多種鍍層
具有高溫下的高強度振動特性,能在惡劣的風砂和潮濕的場合下使用。













