Y27系列圓形電連接器
發布時間:2023-04-15 | 點擊量:1222
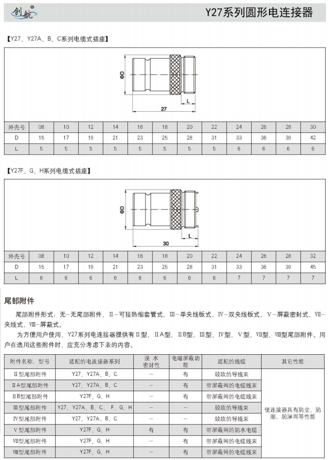
詳細說明:
該系列電連接器符合GJB2905-2004標準,適用于盲目插合或其它插合情況,具有快速連接和分離、抗振耐沖、防鹽霧、防電磁干擾的特性。有防塵、防雨及氣體密封等品種,廣泛應用于航空、航天、船舶、野戰、公交電力、鐵路、郵電通信等領域。













